一、干油集中潤滑系統單線式的工作原理及特點
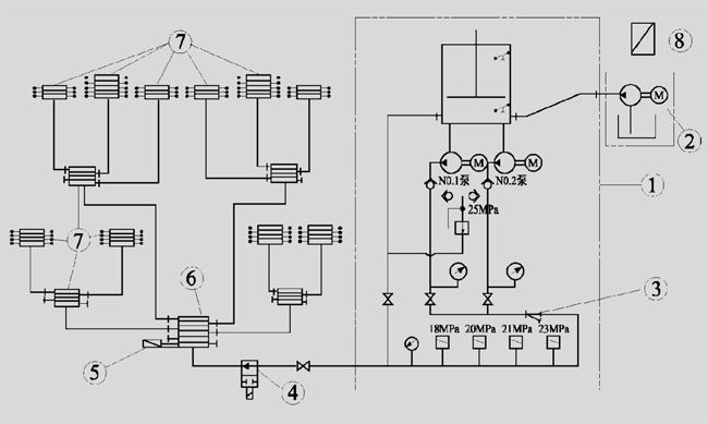
單線式集中潤滑系統是由泵站輸出高壓潤滑脂經單線主管道進入二位二通電磁閥,供送給母遞進分配器,再由支管道供給子分配器,逐級供送給各潤滑點等環節,其中電控箱起到指令自動供送潤滑脂的功能。
工作原理
單線式集中潤滑系統由泵站輸出清潔潤滑脂,通過一級(母)分配器由路輸油變成多路出油。這些出油再自二級 (子)分配器分成更多的分支油路。根據系統需要還可以增加三級(孫)分配器,這樣便組成單線遞進式油路,可以向數百個潤滑點供送清潔的潤滑脂。
結構特點
1、供油主管道,只要一根,費用低,配管簡單。對可動部分的潤滑點實施供油。
2、對處于機構緊湊,環境惡劣,部位險要的潤滑點,可實現自動加油,大大提高了加油過程中的安全可靠性。
3、只要系統在工作,每個潤滑點就能獲得預定的給脂量,給脂量不會因過多而浪費。
4、在全部潤滑點中,只要有一處堵塞,通過各種形式的指示器,就可報警,所以只要監視一臺母分配器的動作, 就可實現對全系統的監視。
二、單線潤滑系統常見的幾種給油方式
1、電動潤滑泵方式
電控柜內有計數器和計時器,其中計數器是與同一級分配器上行程開關相關聯的。當一級分配器完成一個分油循環,分配器的柱塞便接觸行程開關一次,計數器計入一個數。當計數器上達到規定的計數次數時,指定電動潤滑泵停止或二位二通電磁閥閉合。經過設定的時間間隔后系統重新開始工作(電機運轉或二位二通電磁閥打開)。
電控柜內的計時器是用來設定單位時間內輸入系統的油脂量。當設定的單位時間內計數器計入的數值未達到設定值時,電控柜自動報警。另外系統管道中壓力超過額定壓力的限制值時也會自動報警。
二位二通電磁閥用來切斷或打開主管道的通路。系統潤滑點較多,采用并聯式集中潤滑,二位二通電磁閥在系統中的作用更為突出,每個并聯支路必須配備一臺二位二通電磁閥。
該系統配管費用較低,且能滿足每個潤滑點所需的潤滑脂的數量,同時能實現定時、定量,無一遺漏地向每個潤滑點供送清潔油脂。

系統圖:
組成
1、DSB系列電動潤滑泵
2、DJB-400型電動加油泵
3、GGQ系列干油過濾器
4、22EJF型二位二通電磁閥
5、LX型行程開關
6、FPX型遞進分配器
7、FP型遞進分配器
8、JK2A型電控柜
2、手動潤滑泵方式
手動潤滑泵給油時,母遞進分配器中的運動指示器每運動一次,該系統對每個潤滑點給油一次。
該系統簡單,設備費用低。適用于給油間隔時間長,潤滑點少,工作環境惡劣,人工作業無法去等場合。并且能在外部觀察到潤滑點的供油情況。

系統圖:
組成:
1、SJB型手動加油泵
2、SRB型手動潤滑泵
3、GGQ型干油過濾器
4、FPX型遞進分配器
5、FP型遞進分配器
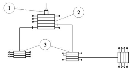
3、移動潤滑方式
系統中潤滑泵沒有固定的位置,平時和分配器分開使用。系統是由一級遞進分配器或二級遞進分配器組成。給油口只有一個,在一級遞進分配器上,給油時一級遞進分配器的運動指示器每運動一次該系統對每個潤滑點給油一次。適 用于移動式小型機械設備中(如:行車、吊車等)或潤滑點少,且不經常加油的地方。
該系統給油口只有一個,能夠對幾個或幾十個潤滑點潤滑。適用于潤滑點人工加油無法加到的地方。

系統圖:
組成
1、油嘴
2、FPX型遞進分配器
3、FP型遞進分配器
三、單線潤滑系統的設備及元件潤滑泵
分類
|
型 號
|
公稱壓力
MPa
|
公稱流量
ml/mi n
|
貯油器容積
L
|
備 注
|
標準型號
|
引進型號
|
手動
潤滑泵
|
SRB-121M/1.0-DZ
|
|
21
|
2. 0ml/循環
|
1
|
適用潤滑脂
|
SRB-121M/3.5-DZ
|
|
3.5
|
SRB-2.5/1.0-D
|
|
10
|
2. 5ml/循環
|
1
|
SRB-2.5/3.5-D
|
|
3.5
|
電動
潤滑泵
|
DRB-L型
|
U型泵
|
20
|
60、195、585
|
20、35、90
|
DRB-P型
|
BS-B泵
|
40
|
120、235、365
|
30、60、100
|
SZA-IV
|
|
200、400、800
|
60、100
|
DB-63
|
|
10
|
63
|
8
|
DBZ-63
|
|
電動
加油泵
|
DJB-200
|
|
1
|
200l/h
|
|
DJB-H1. 6
|
|
4
|
1.61/min
|
|
DJB-V70
|
|
3.15
|
70l/h
|
|
DJB-V400
|
|
400l/h
|
|
腳踏
潤滑泵
|
JRB2-X3
|
|
40
|
3ml/行程
|
6
|
分配器
形 式
|
型 號
|
公稱壓力MPa
|
額定給油量
ml/ 循環
|
備 注
|
標準型號
|
引進型號
|
組合式
(片式)
|
JPQ1
JPQ2
|
MJ、KJ、FPJ
M、KM、FP
|
14
20
|
0.082-0.492
0.164-1.148
|
適用潤滑脂或潤滑油。使用潤滑油時把公稱壓力降低一半后使用。
|
JPQ3
|
MX、KL、FPx
|
0.41-4.92
|
JPQ-K
|
ZP-A
|
16
|
0.007、0.1
0.2、0.3
|
JPQ-K
3
|
ZP-C
|
JPQ2-K
|
ZP-B
|
0.5、1.2、2.0
|
JPQ-K
4
|
ZP-D
|
整體式
|
6JPQ-L0.16
|
LV-106C
|
20
|
0.16
|
8JPQ-L0.16
|
LV-108C
|
10JPQ-L0.16
|
LV-110C
|
12JPQ-L0.16
|
LV-112C
|
|
SSV
|
31.5
|
0.2
|
四、單線潤滑系統參數的確定
1、潤滑點需油量的確定。單線潤滑系統設計時首先應確定單位工作時間每個潤滑點的耗脂量。即根據潤滑點的類別、工作條件、運轉速度、承受的壓力,環境的影響,計算出每個潤滑點的耗脂量。
2、確定最低一級分配器的數量及規格。根據潤滑點的數量、需油量、工作條件及其類別,確定最后一級分配器的數量、規格以及同一組分配器各個出油孔的出油量。
3、一級分配器與管道的確定。根據二級分配器的數量和規格計算出一級分配器的型號與規格及聯接管道的管徑與走向。為了控制和監測系統的工作情況,在一級分配器上加一行程開關(或計數器)來實現。
4、工作壓力確定。根據系統的布局,潤滑點的分布確定系統的壓力等級,一般單線潤滑系統的正常工作壓力不超過20MPa 較為經濟實用。
5、系統布局的確定。根據系統承受的壓力、油脂的老化周期校正系統的布局。
通過上述內容設計的單線式集中潤滑系統,在電控箱的有效控制下,能實現定時、定量、安全可靠地向潤滑點供送清潔的油脂。萬一系統出現故障,導致高壓潤滑泵的流速不正常,在設定時間內輸入系統的油脂量未達到設定值,即計時器計入的數值與計數器計入的數值之比超過設定的范圍時,電控柜自動報警,系統停止工作。一般系統正常工作時,泵站的額定壓力為 21MPa,如果系統出現故障,工作壓力超過 21MPa,高壓潤滑泵自動卸荷,而此時系統中的各種元件及管路均能承受21MPa的壓力,所以系統安全可靠。
五、單線潤滑系統的使用要領
1、泵盡可能安裝在靠近親分配器的地方。電控箱應安裝在室內。泵和電控箱都應安裝在塵埃、濕氣、振動少和維 護方便的地方。對于塵埃、濕氣不能避免的場所有必要采取防護措施。手動泵應安裝在離地面 1 米高,便于操作。使 用焊接支架安裝泵比較方便。
2、當系統的配管工程結束后,運轉之前,必須預先向系統內充填潤滑脂。充填潤滑脂之前,必須對配管系統進行沖洗或用壓縮空氣吹掃,把塵粒趕出后(焊接、攻絲施工后要進行酸洗、沖洗),將潔凈的潤滑脂充填。
3、加油泵用于給干油潤滑泵添加潤滑脂,加油泵油箱應定期檢查油位,如果出現油位過低,應向油箱內添注潤滑油脂,避免加油泵空載。
4、潤滑泵上的貯油蓋用于檢查、維修,不能用于添加潤滑油脂,平時應防止灰塵、雜質進入貯油桶內。
5、集中潤滑系統使用介質為錐入度 310-430(25℃,150g)1/10mm 的潤滑脂。
6、潤滑系統對于油的清潔度要求較高,平時添加油脂必須從泵的加油口進行,加油口內裝有過濾網,注意定期清洗。
7、檢修人員應定期檢查系統管路,如發現接頭松動脫落、管子斷裂等現象,應及時更換管件。
|