一、概述
片式給油器適用于小型機器設備的干油集中潤滑系統中,與單線干油泵或多點干油泵配合使用,組成單線集中潤滑系統,可自動向最多約100個潤滑點定時、定量地供送潤滑脂。每塊給油器上均設有指示裝置,可及時檢查出油情況。
二、技術參數
型 號
|
組合
片數
|
給油
孔數
|
公稱壓力
MPa
|
每孔給油量
mL/每循環
|
重量
kg
|
PSQ-31
|
3
|
6
|
10
|
0.15
|
0.9
|
PSQ-41
|
4
|
8
|
1.2
|
PSQ-51
|
5
|
10
|
1.5
|
PSQ-61
|
6
|
12
|
1.8
|
PSQ-31A
|
3
|
6
|
0.3
|
0.9
|
PSQ-41A
|
4
|
8
|
1.2
|
PSQ-51A
|
5
|
10
|
1.5
|
PSQ-61A
|
6
|
12
|
1.8
|
PSQ-33
|
3
|
6
|
0.5
|
6.8
|
PSQ-43
|
4
|
8
|
11.3
|
PSQ-53
|
5
|
10
|
12.2
|
PSQ-63
|
6
|
12
|
13.7
|
PSQ-33A
|
3
|
6
|
1.2
|
6.8
|
PSQ-43A
|
4
|
8
|
11.3
|
PSQ-53A
|
5
|
10
|
12.2
|
PSQ-63A
|
6
|
12
|
13.7
|
PSQ-33B
|
3
|
6
|
2.0
|
6.8
|
PSQ-43B
|
4
|
8
|
11.3
|
PSQ-53B
|
5
|
10
|
12.2
|
PSQ-63B
|
6
|
12
|
13.7
|
使用介質為錐入度不低于265(25℃,150g)1/10mm的潤滑脂。
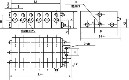
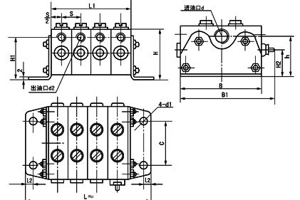
三、外形尺寸
PSQ-※1系列外形圖

PSQ-※3系列外形圖

型號
|
B
|
B1≈
|
C
|
L≈
|
L1
|
H
|
H1
|
H2
|
h
|
S
|
d
|
d1
|
d2
|
L2
|
PSQ-31
|
70
|
75/81
|
15
|
70
|
48
|
38
|
31
|
18
|
8
|
16
|
M10×1
|
7
|
M10×1
|
9
|
PSQ-41
|
86
|
64
|
PSQ-51
|
102
|
80
|
PSQ-61
|
118
|
96
|
PSQ-33
|
100
|
123/133
|
60
|
135
|
75
|
68
|
57.5
|
30
|
54.5
|
25
|
M18×1.5
|
9
|
M14×1.5
|
10
|
PSQ-43
|
160
|
100
|
PSQ-53
|
185
|
125
|
PSQ-63
|
210
|
150
|
四、使用說明
1、給油器出油情況可通過觀察指示裝置進行檢查,也可裝設電氣行程開關監控。
2、如某些潤滑點需要的潤滑脂量大于表列數值,可將給油器任意組合(見下圖)。使供油量成倍增加。
PSQ-61 PSQ-63A
 |