一、使用條件
與 GXYZ 型 A 系列基本一致,但工作介質粘度范圍為 N22~N460(相當 ISO VG22~460);另外 B 系列的除高壓和低壓 的供油壓力不變分別為 31.5MPa 和 0.4MPa 外,其高壓和低壓的流量均有較大增加,詳見下面技術性能表(規格******的高壓流量為 40L/min,低壓流量為 315L/min)。
本裝置由油站、儀表盤、電控柜(可用 PLC 控制)成套組成。
本產品的性能參數及尺寸應符合表和圖中的規定。
二、型號標注方法
如采用 B 系列,高壓流量為 20L/min;高壓壓力為 31.5MPa,低壓供油壓力為 0.4MPa;而低壓供油量為 100L/min 的高(低)壓稀油站,采用繼電器、接觸器控制的則按如下方法標注:GXYZ-B20/100
三、工作原理與結構特征
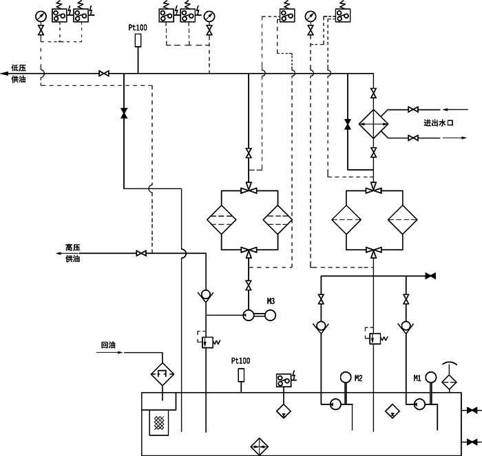
本油站為整體式,由油箱、兩臺低壓油泵、一臺高壓油泵、二臺雙筒網片式過濾器、回油磁網過濾裝置、列管式 油冷卻器、各種控制閥門、管道以及電接點壓力表、鉑熱電阻等組成。
工作原理基本上也和 A 系列相同;但 B 系列的低壓油經過過濾和冷卻后外供時,一部分低壓油通過旁路再經過一個雙筒過濾器后才進入高壓泵的吸油口,以提高高壓油的清潔度等級;但應注意當低壓供油實際壓力較小時(例如小于0.2MPa 時),由于后一過濾器同樣也有壓差損失(也隨時間逐步增大),為保證高壓油泵順利吸入,吸入口應始終保證 正壓(當后過濾器切換前壓差達******時也必須滿足這一要求);除流量和 A 系列有很大不同外,最主要特點(結構特征)為高壓泵吸口前有另一臺過濾器。
其他工作原理和操作控制可參見 A 系列所述。
GXYZ型B系列高(低)壓稀油站技術性能
.jpg)
|
GXYZ-B20/100
|
GXYZ-B20/125
|
GXYZ-B20/160
|
GXYZ-B30/200
|
GXYZ-B30/250
|
GXYZ-B40/315
|
低
壓
系
統
|
流量
L/min
|
100
|
125
|
160
|
200
|
250
|
315
|
供油壓力
MPa
|
≤0.4
|
供油溫度
℃
|
40±3
|
電
動
機
|
型 號
|
Y100L2-4
|
Y112M-4
|
Y132S-4
|
Y132M-4
|
功率
kW
|
3
|
4
|
5.5
|
7.5
|
轉速
r/min
|
1450
|
油箱容積.png)
|
1.6
|
2.0
|
2.2
|
2.8
|
3.3
|
4.2
|
高
壓
系
統
|
流量
L/min
|
20
|
30
|
40
|
供油壓力
MPa
|
31.5
|
電動機
|
型 號
|
Y160L-6
|
Y160L-4
|
Y180M-4
|
功率
kW
|
11
|
15
|
18.5
|
轉速
r/min
|
950
|
1450
|
粗過濾精度mm
|
0.08~0.12(低壓出口)
|
精過濾精度mm
|
≤0.04(高壓入口)
|
冷卻面積.png)
|
11
|
20
|
28
|
冷卻水耗量 /h
|
9
|
11.25
|
16
|
20
|
25
|
30
|
電加熱功率kW
|
18
|
24
|
30
|
外形尺寸mm
|
2300×1540×1800
|
2750×1700×1900
|
3350×1850×1950
|
備 注
|
實際油粘度高于320cSt時,低壓泵功率應提高一級
|
四、外形尺寸

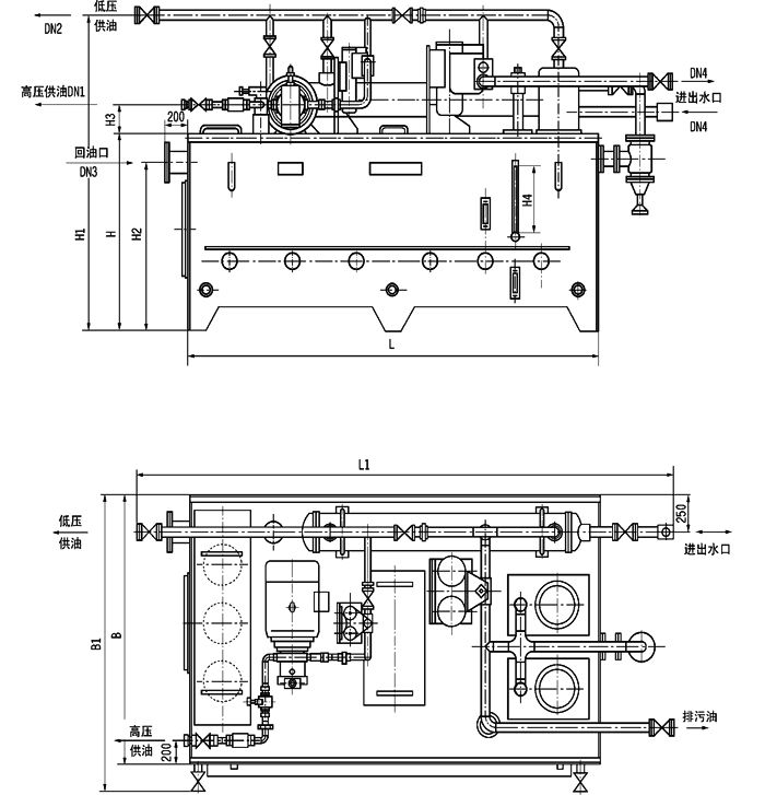
GXYZ 型 B 系列外形尺寸
型 號
|
H
|
H1
|
H2
|
H3
|
H4
|
L
|
L1
|
B
|
B1
|
DN1
|
DN2
|
DN3
|
DN4
|
GXYZ-B20/100
|
1110
|
1800
|
940
|
160
|
400
|
1700
|
2300
|
1280
|
1540
|
20
|
32
|
100
|
G1 1/2
|
GXYZ-B20/125
|
1160
|
1800
|
990
|
160
|
400
|
1800
|
2300
|
1380
|
1540
|
20
|
40
|
100
|
G2
|
GXYZ-B20/160
|
1160
|
1900
|
990
|
160
|
400
|
1900
|
2750
|
1480
|
1700
|
20
|
40
|
125
|
G2
|
GXYZ-B30/200
|
1200
|
1900
|
1030
|
180
|
400
|
2200
|
2750
|
1530
|
1700
|
20
|
50
|
150
|
G2
|
GXYZ-B30/250
|
1200
|
1950
|
1030
|
180
|
450
|
2650
|
3350
|
1580
|
1850
|
20
|
65
|
150
|
G2
|
GXYZ-B40/315
|
1260
|
1950
|
1090
|
180
|
450
|
2800
|
3350
|
1680
|
1850
|
20
|
65
|
175
|
G1 1/2
|
五、原理圖

六、儀表盤
仿 A 系列(圖 2-1-4),二個過濾器的差壓發訊器盡量就地裝于過濾器上。
七、電控柜
按 A 系列電控柜。(圖 2-1-3) |