一、產品簡介
DR4-5型液壓換向閥主要用于雙線終端式集中潤滑系統中,把泵輸出的潤滑劑交替送向兩條供油主管。直接由換向閥出口壓力控制換向,換向壓力可以通過調壓螺帽在3.5-20MPa范圍內進行調整(順時針旋轉換向壓力升高,逆時針旋轉換向壓力降低)。該閥結構簡單、換向可靠、使用方便。
二、技術參數
型號 |
壓力范圍
MPa |
出廠調定壓力
MPa |
行程開關 |
重量
Kg |
DR4-5
(YHF-L5)
|
3.5~20 |
15 |
TZ-7310 |
9 |
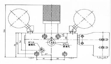
三、外形尺寸

四、工作原理

閥的油腔通道如圖1所示,此時調壓彈簧的作用力經撥塊作用在活塞1上使活塞1處于閥體左側?;钊?及活塞2兩端分別與出油口1及出油口2相通。壓力油從進油口進入活塞3的兩個腔,其中左邊腔中的壓力油經出油口1流出,同時壓力油經活塞1內腔道作用在活塞3左端,使活塞3處于閥體右側,此時活塞3右側與回油口相通。右邊腔內壓力油被活塞2封死。
當活塞1左端壓力(出口壓力)克服彈簧對活塞的作用力后,活塞1右移,同時活塞2右移(圖2)。當活塞1、活塞2移到閥體右端后,活塞3左側與回油口通,壓力油經活塞2內腔道作用在活塞3的右側,推動活塞向左移動到達閥體左側(圖3)。此時活塞3右腔內壓力油經出油口2流出,而左端的壓力油被活塞1封死。當活塞2右端壓力(出口壓力)克服彈簧對活塞的作用力后,活塞2左移,同時活塞1左移。當活塞1、活塞2移到閥體左端后,活塞3右側與回油口通,壓力油經活塞1內腔道作用在活塞3的左側,推動活塞3向右移動達閥體右側(圖1),完成一個工作循環。
如果檢測液壓換向閥的換向狀況,可以在閥上安裝換向發訊開關,將換向閥的換向訊號傳遞給電氣控制系統。在現場工作人員還可以通過觀察指示桿的動作來了解換向閥的工作情況。
五、使用要領
請在流量100~250ml/min之間進行使用,嚴禁使用于高壓大流量系統。 |